首页
模型库
会员风采
资讯热点
图 纸
图 纸
工程师
资讯热点
我要上传
登录注册
当前位置:
模型库
> 通用零部件
> 传动件
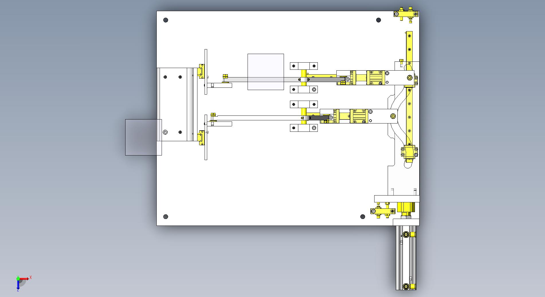
利用凸轮轴承和链条的逃离卷帘
平面图
3D视图
文件列表
0
0
0
分享
举报
相关模型
SA-4502棘轮机构(套图)
xiaoyu
0
SWC390万向联轴器成套图纸
雨晨风雪
0
SWC-450万向轴inventor模型
铁匠艺术家
1
RV63系列蜗轮蜗杆减速机外形图
xiaoyu
0
SEW三级硬齿面圆柱齿轮减速机外形图
雨晨风雪
0
SWC350万向轴
xiaoyu
0
T611A主轴箱主传动
xiaoyu
0
一种齿轮传动的四杆行走机构
铁匠艺术家
0
听风的蝉
加入时间: 2025-01-15
关注
私信
作品:
14439
粉丝:
4
下载图纸
图纸参数
图纸格式:
sldasm,
sldprt
软件版本:
SolidWorks 2010
大小:
7.64 MB
上传时间:
2025-03-20 11:33:28
所需积分:
20
初程币
是否可编辑:
可修改,包括参数
行业分类:
传动件
链条
利用
凸轮轴
卷帘
图纸描述
暂无图纸描述
版权说明
用户在本站上传的作品如侵犯到您的权益,请与本站管理员联系删除。用户在本站下载的原创作品,只拥有作品的使用权,著作权归原作者所有,未经合法授权,用户不得以任何形式发布、传播、复制、转售该作品。
作者其他图纸
客服
微信咨询
QQ1:547916602
QQ2:1405905813
工作时间:8:30-20:30
交流群
投稿
返回顶部
图 纸
图 纸
工程师